|
RLSB2
Single-Ended Beam, Alloy Steel
With Blind Hole,
IP67

Single-ended
beam designed as a replacement for Masstron®
cells, the RLSB2 series provide a cost-effective alternative.
The series features a unique patented blind load hole to increase
system accuracy, and epoxy coating for added corrosion protection.
Capacities from 1000 to 5000 lb (453.6 to 2268.0 kg) with 10'
(3.1m) of load cell cable; 10,000 to 20,000 (4535.9 to 9071.9
kg) with 15' (4.6m) of load cell cable; 35,000 to 45,000
(15875.7 to 20,411.9 kg) with 30' (9.2m) of load cell cable.
|
Rated
Capacity |
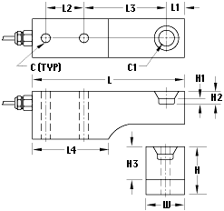
C |
C1 |
H |
H1 |
H2 |
H3 |
L |
L1 |
L2 |
L3 |
L4 |
W |

lb/inches |
| 1000-5000 |
.53 |
.87 |
1.87 |
.25 |
.47 |
1.43 |
8.00 |
.87 |
2.50 |
3.87 |
4.00 |
1.43 |
| 10,000 |
.87 |
1.00 |
2.75 |
.25 |
.62 |
1.85 |
9.25 |
.87 |
2.62 |
4.87 |
4.62 |
1.87 |
| 20,000 |
1.06 |
1.25 |
3.25 |
.37 |
.81 |
2.50 |
11.00 |
1.25 |
3.25 |
5.50 |
5.50 |
2.37 |
| 35,000 |
1.31 |
1.50 |
3.75 |
.46 |
.91 |
2.68 |
12.50 |
1.50 |
3.50 |
6.25 |
6.25 |
2.75 |
| 45,000 |
1.31 |
1.50 |
3.75 |
.46 |
.87 |
2.68 |
12.50 |
1.50 |
3.50 |
6.25 |
6.25 |
2.75 |

kg/millimeters |
| 453.6-2268.0 |
13.5 |
22.1 |
47.5 |
6.4 |
11.9 |
36.3 |
203.2 |
22.1 |
63.5 |
98.3 |
101.6 |
36.3 |
| 4535.9 |
22.1 |
25.4 |
69.9 |
6.4 |
15.8 |
47.0 |
235.0 |
22.1 |
66.6 |
123.7 |
117.4 |
47.5 |
| 9071.9 |
26.9 |
31.8 |
82.6 |
9.4 |
20.6 |
63.5 |
279.4 |
31.8 |
82.6 |
139.7 |
139.7 |
60.2 |
| 15,875.7 |
33.3 |
38.1 |
95.3 |
11.7 |
23.1 |
68.1 |
317.5 |
38.1 |
88.9 |
158.8 |
158.8 |
69.9 |
| 20,411.7 |
33.3 |
38.1 |
95.3 |
11.7 |
22.1 |
68.1 |
317.5 |
38.1 |
88.9 |
158.8 |
158.8 |
69.9 |
 |
|