|
RLHBB
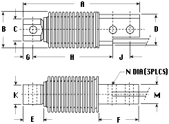
Single-Ended Beam, Stainless Steel
Hermetically-sealed,
IP68, NTEP 1:5000 Class III Multiple Cell, OIML C3

Stainless
steel construction, hermetic sealing and polyurethane shielded
cable enable the RLHBB to function in harsh environments while
maintaining its operating specifications. Suitable for low-profile
platforms, weighing and packing machines, electromechanical
conversions and general-purpose weighing applications. OIML
C4-certified capacities from 5 to 500 kg (11.0 to 1102.3 lb).
Complete with 10' (3.1m) of load cell cable.
|