|
RLETB
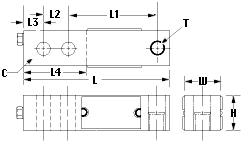
Single-Ended Beam, Alloy Steel
OIML C3, IP67

Single-ended
beam designed for low-profile scales and process applications.
OIML approved and metric envelope capacities of 500 to 5000
kg (1102.3 to 11,023.1 lb). Complete with 19.7' (6m) of
load cell cable.
|