RL65044 Single-Ended Beam, Alloy Steel
Bar

Designed for a low-profile scales and variety of process applications. Capacity of 4000 lb (1814.4 kg). Complete with 20' (6.1m) of load cell cable. RL65044 is a replacement for Electroscale Model 2009-002.

spacer spacer
RL65044 Single-ended Beam
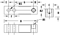
Dimensional Drawing
Rated
Capacity
A1 A2 A3 B C D E F G H
Bar
lb/inches
4000 1/2-20 UNF-2B .60 .53 6.00 1.25 1.25 .61 1.75 3.00 .63
Bar
kg/millimeters
1814.4 1/2-20 UNF-2B 15.2 13.5 152.4 31.8 31.8 15.5 44.5 76.2 16.0
Bar
 

Single-Ended Beams | Double-Ended Beams
Single Points | S-Beams | Compression Canisters |
Sensors


 
 

© Copyright 2003 Rice Lake Weighing Systems
2007 DKL ltd.
Контактная информация