|
RL30745
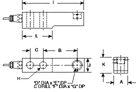
Single-Ended Beam, Stainless Steel
Hermetically-sealed,
IP68

Single-ended
beam in stainless steel, welded seal for protection against
corrosive and washdown environments. This model is also a direct
replacement for the Mettler-Toledo®745 Mount. Ideally-suited
for low-profile platforms and vessel weighing. Capacities from
1000 to 10,000 lb (453.6 to4535.9 kg). Complete with 20'
(6.1m) of load cell cable.
|