RLS2101 Tension Link

The RLS2101 uses a compact tension measurement design that is both reliable and accurate. This stainless steel unit is ideal for applications in the automotive, process control, and robotics industries. Complete with an 18" (.45m) standard cable.

spacer spacer

RLS2101Tension Link

 

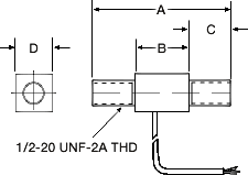
Dimensions - RLS2101Tension Link
Rated
Capacity
A B C D            
Bar
lb/inches
250-1000 2.75 75 .65 1.00            
2000-5000 2.75

1.05

.85 .75            
Bar
kg/millimeters
113.4-453.6 69.8 25.4 16.5 25.4            
907.2-2268.0 69.8 26.6 21.5 19.1            
 


Single-Ended Beams | Double-Ended Beams
Single Points | S-Beams | Compression Canisters |
Sensors

 

© Copyright 2003 Rice Lake Weighing Systems
2007 DKL ltd.
Контактная информация