RLHPS Single Point, Stainless Steel,
Hermetically Sealed, IP68

Bar

This low-profile single point load cell was specifically designed for checkweighing or bench scale applications. The product features a full stainless steel, hermetically-sealed design that is ideal for applications in the harshest of environments. This model is available in capacities of 13.2 and 33.1 lb (6 kg and15 kg), with each unit being provided with 10' (3m) of load cell cable.
RLHPS
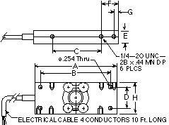
Dimensional Drawing

 
Rated
Capacity
A B C D E F G H  
Bar
lb/inches
13.2-33.1
5.00
4.25
3.00
1.25
.73
1.00
.25
1.98
Bar
kg/millimeters
6.0-15.0
127.0
108.0
76.2
31.75
18.54
25.4
6.35
50.3
Bar

 


Single-Ended Beams | Double-Ended Beams
Single Points | S-Beams | Compression Canisters |
Sensors


 

 

© Copyright 2003 Rice Lake Weighing Systems
2007 DKL ltd.
Контактная информация