|
RL1380
Single Point, Stainless Steel
NTEP 1:3000 Class
III Single Cell, IP67

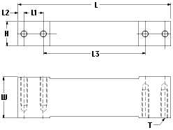
The RL1380
is the standard cell on Rice Lake Weighing Systems SURVIVOR®
CW-80 Checkweigher. This single point cell is constructed of
stainless steel and designed to perform in harsh, high shock
load environments. These features make the RL1380 ideal for
platform scales and packaging and process weighing equipment.
Capacities from 7 to 60 kg (15.4 to 132.3 lb). Complete with
457.2mm (18") of load cell cable.
|