|
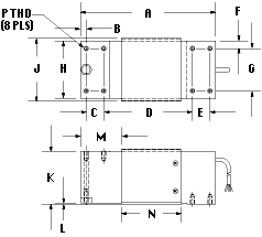
RL1250
Potted Single Point, Aluminum
NTEP 1:5000 Class
III Single Cell

High-capacity,
off-center-loading load cell accurately weighs loads from 50
to 1000 kg (110.2 to 2205.0 lb). Long-term stability and durability
are maintained. These load cells with potted cavities offer
excellent performance in damp environments.
|