|
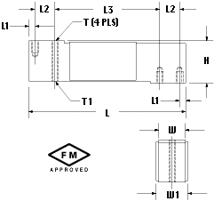
RL1140
Single Point, Stainless Steel

Low-profile,
off-center loading load cell. Designed for direct mounting of
a weighing platform, hanging scales, and other low-capacity
beam applications. Stainless steel construction and a unique
humidity-resistant protective coating provides long-term stability,
even in harsh environments. These load cells with potted cavities
are for improved performance in damp environments. Capacities
from 15 to 150 kg (33.1 to 330.7 lb). Integral 10' (3.1m)
load cell cable.
|