|

|
 |
|
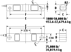
RL75016
Double-Ended Beam, Alloy Steel

Double-ended
beam with center loading. Designed for tank and hopper applications.
Capacities from 1000 to 75,000 lb (453.6 to 34,019.4 kg). Complete
with 25' (7.6m) of load cell cable.
|
 |
 |
|

|


|
Rated
Capacity |
A1 |
A2 |
C |
D |
E |
F |
G |

lb/inches |
| 1000-5000 |
.50 |
1.25 |
1.25 |
1.25 |
7.50 |
6.25 |
.69 |
| 10,000-25,000 |
.81 |
1.99 |
1.44 |
1.94 |
8.75 |
7.50 |
.96 |
| 50,000 |
1.31 |
3.00 |
2.44 |
2.94 |
13.50 |
11.50 |
1.50 |
| 75,000 |
1.31 |
- |
2.44 |
2.94 |
13.50 |
11.50 |
1.47 |

kg/millimeters |
| 453.6-2268.0 |
12.7 |
31.8 |
31.8 |
31.8 |
190.5 |
158.8 |
17.5 |
| 4535.9-11,339.8 |
20.6 |
50.8 |
36.6 |
49.3 |
222.3 |
190.5 |
24.4 |
| 22,679.6 |
33.3 |
76.2 |
62.0 |
74.7 |
342.9 |
292.1 |
38.1 |
| 34,019.4 |
33.3 |
- |
62.0 |
74.7 |
342.9 |
292.1 |
37.3 |
 |
|
| |
|
Single-Ended
Beams | Double-Ended
Beams
Single Points | S-Beams | Compression
Canisters | Sensors
|
|