|

|
 |
 
|
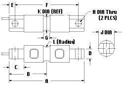
RL70000
SS Double-Ended Beam, Stainless Steel

Stainless
steel double-ended beam load cell designed for truck, track,
and process weighing. High accuracy, low profile and tolerances
to non-axial loading and redundant seal. Capacities from 5000
to 150,000 lb (2268.0 to 68,038.9 kg). Complete with 30'
(9.2m) of load cell cable.
|
 |
 |
|

|

|
Rated
Capacity |
A |
B |
C |
D |
E |
F |
G |
H |
J |
K |
L |

lb/inches |
| 5000-10,000 |
8.12 |
4.06 |
1.44 |
1.12 |
.62 |
6.88 |
.62 |
.66 |
1.83 |
1.48 |
.50 |
| 20,000 |
8.12 |
4.06 |
1.44 |
1.12 |
.84 |
6.88 |
.84 |
.66 |
2.08 |
1.48 |
.50 |
| 30,000-60,000 |
10.25 |
5.12 |
1.88 |
2.37 |
.88 |
8.50 |
1.00 |
1.06 |
3.20 |
2.73 |
1.00 |
| 100,000 |
11.25 |
5.62 |
1.88 |
2.50 |
.88 |
9.50 |
1.00 |
1.06 |
3.75 |
3.24 |
1.00 |
| 150,000 |
11.25 |
5.62 |
1.88 |
2.50 |
.88 |
9.50 |
1.25 |
1.06 |
3.90 |
3.64 |
1.50 |

kg/millimeters |
| 2268.0-4535.9 |
206.3 |
103.1 |
36.6 |
28.5 |
15.8 |
174.8 |
15.8 |
16.8 |
55.9 |
37.6 |
12.7 |
| 9071.9 |
206.3 |
103.1 |
36.6 |
14.2 |
21.3 |
174.8 |
21.3 |
16.8 |
52.8 |
37.6 |
12.7 |
| 13,607.8-27,215.6 |
260.4 |
130.1 |
47.8 |
60.2 |
22.4 |
215.9 |
25.4 |
26.9 |
81.3 |
69.3 |
25.4 |
| 45,359.4 |
285.8 |
142.8 |
47.8 |
63.5 |
22.4 |
241.3 |
25.4 |
26.9 |
95.3 |
82.3 |
25.4 |
| 68,093.1 |
285.8 |
142.8 |
47.8 |
63.5 |
22.4 |
241.3 |
31.8 |
26.9 |
95.3 |
92.5 |
31.8 |
 |
|
| |
|
Single-Ended
Beams | Double-Ended
Beams
Single Points | S-Beams | Compression
Canisters | Sensors
|
 |
|